- Tipo: Pisos
- Operación Venta
-
Municipio: Vega de San Mateo
-
Población:Vega de San Mateo
-
Habitaciones: 3
-
Terraza: Sí
-
Metros: 249m2
-
Metros parcela: 70000m2
-
Año de construcción:
Características
- Aire acondicionado: no
- Estado: Disponible
Detalles
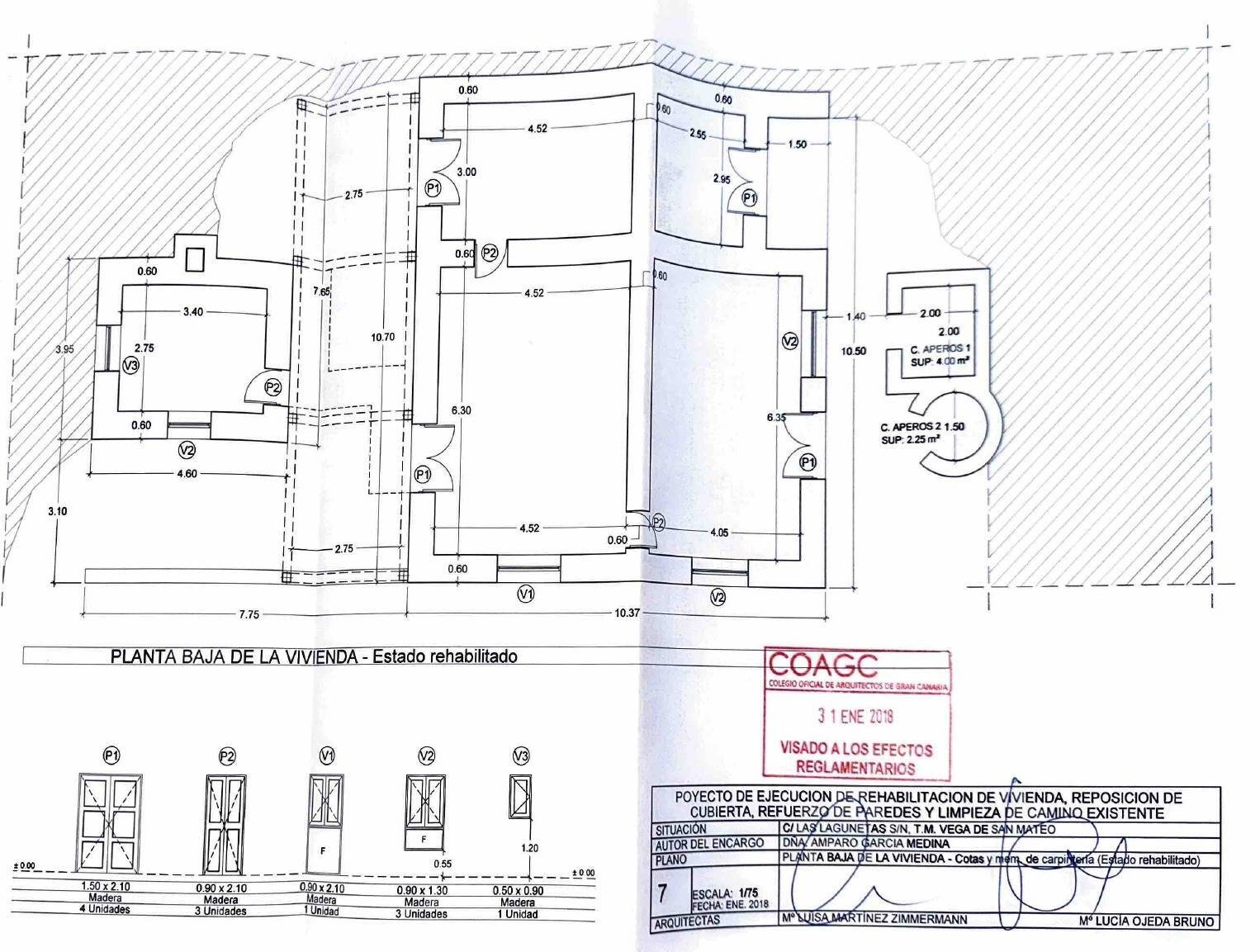
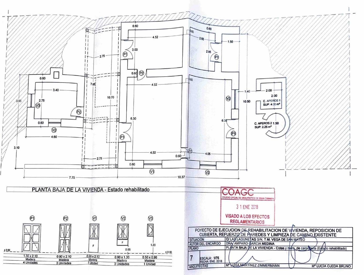
? Inversión con alma en San Mateo ? Solar amplio y vivienda con potencial En pleno corazón verde de Gran Canaria, esta propiedad se alza como una auténtica oportunidad para inversores o amantes de los proyectos con visión. Ubicada en un entorno natural privilegiado, rodeada de tranquilidad y con vistas despejadas, esta finca ofrece mucho más que una vivienda: ofrece un futuro lleno de posibilidades. En el año 2018, se realizó un Proyecto Definitivo de Ejecución de Rehabilitación de Vivienda, Cubierta, Refuerzo de Paredes y Limpiez de Camino Existente. El cual se puede aportar al futuro comprador. La casa principal necesita una reforma integral, pero se asienta sobre un extenso solar poblado de árboles frutales, con espacios amplios y soleados que permiten imaginar desde una residencia familiar con huerto ecológico, hasta un alojamiento rural con encanto, en plena naturaleza. Esta propiedad espera a quien sepa ver más allá de las paredes. Invierte en calidad de vida, sostenibilidad y entorno. Llámanos y conoce el verdadero potencial de este lugar. Preguntar a ChatGPT